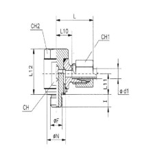
Соединения для подключения измерительных устройств предназначены для монтажа контрольно-измерительных приборов (манометров, датчиков) в гидравлических и пневматических системах. Они обеспечивают герметичное и надечное подключение к трубопроводам и оборудованию.
Использование качественных соединений предотвращает утечки рабочих сред, обеспечивает точность показаний измерительных приборов и повышает общую надежность системы. Это критически важно для безопасной и эффективной работы оборудования.
Мы предлагаем продукцию из латуни и нержавеющей стали, устойчивую к коррозии и высокому давлению. Доступны модели с уплотнительными кольцами (серия GG) для повышенной герметичности, а также стандартные исполнения.
Ассортимент включает различные конфигурации: переходники BSP, соединения для манометров TN403, угольники banjo TN111 и TN111GG M. Это позволяет подобрать оптимальное решение для любой технической задачи.
